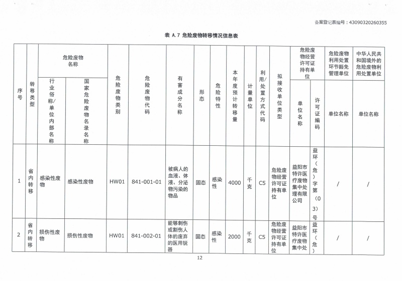
通知公告

益阳市第五人民医院2026年危险废物管理计划

 

 

 

30
2026-04-08 00:00:00